[Future Technology Research Index] [SGI Tech/Advice Index] [Nintendo64 Tech Info Index]
(Have you found this page via a web search? Examine the index pages to see all the available items!)


[WhatsNew] [P.I.] [Indigo] [Indy] [O2] [Indigo2] [Crimson] [Challenge] [Onyx] [Octane] [Origin] [Onyx2]
System Controller, 3-1
System Controller, 3-2
System Controller, 3-3
System Controller, 3-4
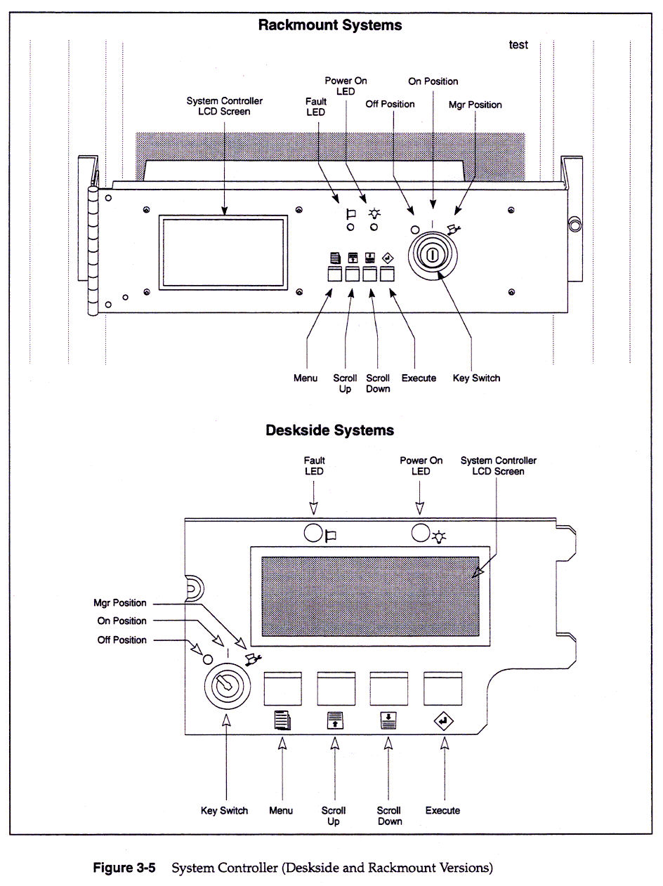
System Controller, 3-5
System Controller, 3-6
System Controller, 3-7
System Controller, 3-8
System Controller, 3-9
System Controller, 3-10
System Controller, 3-11
System Controller, 3-12
System Controller, 3-13
System Controller, 3-14
System Controller, 3-15

Typed up by Ian Mapleson (mapesdhs@yahoo.com) on 25/Feb/2004
Document dated 1993, code 108-7045-010


[WhatsNew] [P.I.] [Indigo] [Indy] [O2] [Indigo2] [Crimson] [Challenge] [Onyx] [Octane] [Origin] [Onyx2]

(Have you found this page via a web search? Examine the index pages to see all the available items!)

[Future Technology Research Index] [SGI Tech/Advice Index] [Nintendo64 Tech Info Index]